元器件系列
ZW20-12F系列戶外高壓交流分界真空斷路器
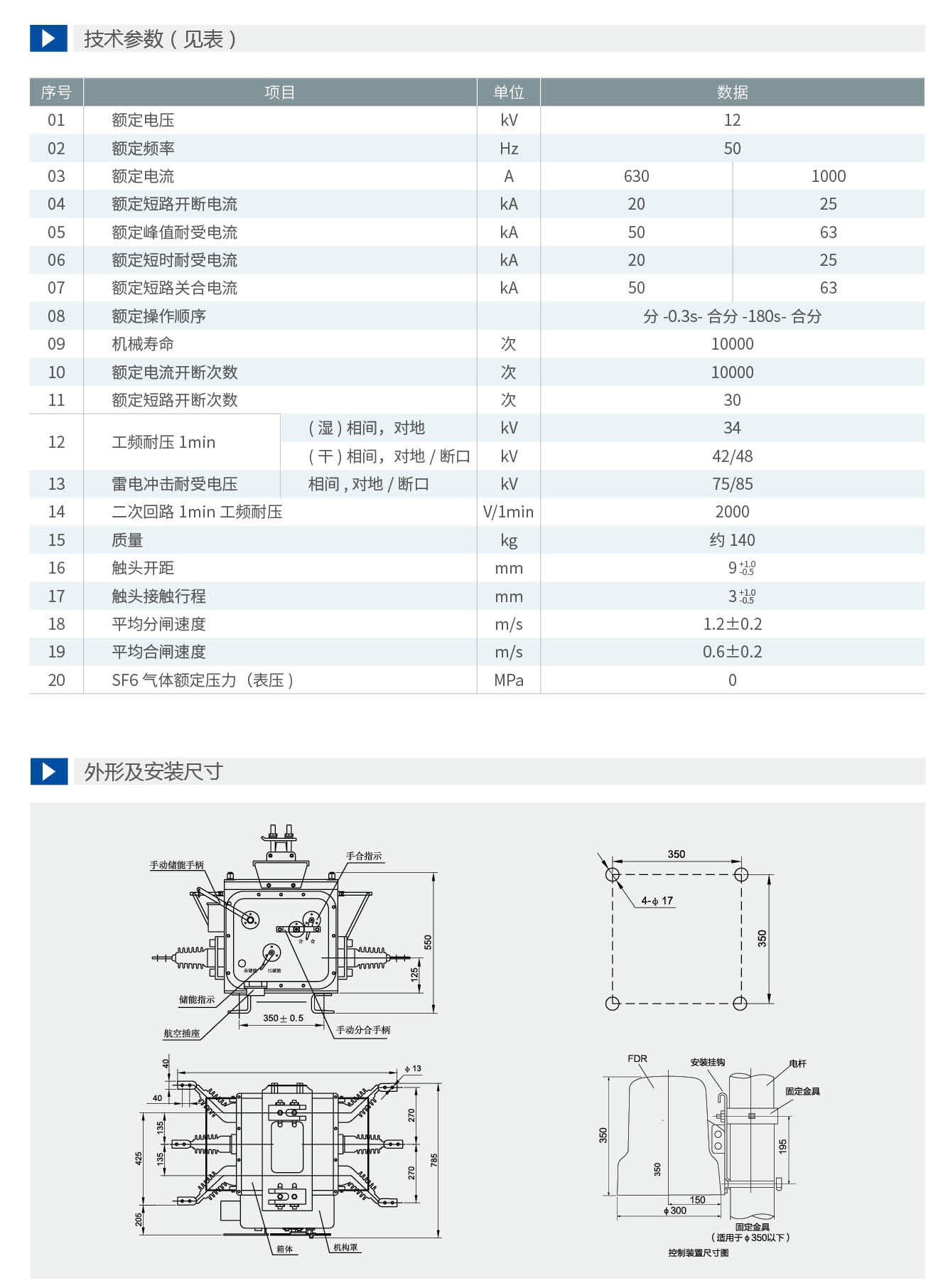
ZW20-12F/T?-?系列型戶外高壓真空斷路器(以下簡稱斷路器)為額定電壓12kV,三相交流50Hz的戶外配電設備。它采用真空滅弧和SF6氣體作為絕緣介質,是ZW20-12F型柱上真空斷路器改進型產品。箱體采用了引進日本東芝公司VSP5的氣體密封、防爆、絕緣結構技術,進出線導管也進行了密封性能改進,整體密封性能優(yōu)良,內部充裝的SF6氣體不泄漏,不受個界環(huán)境影響;其彈簧操作機構進行了小型化設計和可靠性和穩(wěn)定性優(yōu)化,采用直動鏈條主傳動和多級脫扣系統(tǒng),動作可靠性和穩(wěn)定性比國內傳統(tǒng)的彈簧操作機構提高了好幾倍;主回路的軸與套之間的接觸采用了內收外張式表鏈結構,主回路的接觸電阻小、溫升低。所以,ZW20-12F型戶外柱上真空斷路器是一種免維護產品,是柱上斷路器中的佳品。
廠家直銷
品質保障
支持定制
售后服務
產品詳情:



